欢迎光临
手机网站 | 联系我们:150-2171-6506 | 加入收藏
  • 当前位置:上海韩东机械科技有限公司 > 产品中心 > 气动制动器 > HD韩东机械NAB气动通轴制动器阻尼器NAB-10S、NAB-10T

    HD韩东机械NAB气动通轴制动器阻尼器NAB-10S、NAB-10T

    产品型号: NAB-10S、NAB-10T
    品  牌: HD韩东机械
      价格电议,您可以向供应商询价得到该产品价格
    所 在 地: 上海松江区
    更新日期: 2025-12-02
    详细信息
     品牌:HD韩东机械  类型:气动制动器  型号:NAB-10S、NAB-10T  
     尺寸:见下图  用途:刹车、阻尼  型号:NAB-10S、NAB-10T  
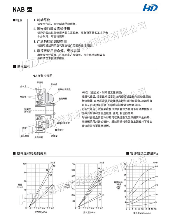
    NAB气动通轴制动器产品常用功能:
    1、适合于低速张力控制;利用电磁阀+调压阀可细微、均匀的调整张力;
    2、安装在电机上,适合定位制动刹车;

    NAB气动制动器技术数据参考:
    韩东提供产品的技术选型,如需更多选型资料可联系我们
    产品类别:气动制动器
    品牌:韩东(HD)
    产品型号:NAB-5T,NAB-5S,NAB-10T,NAB-10S,NAB-20T,NAB-40T,NAB-65T
    (备注:不同型号价格不同)
    产品重量:3.5-36kg
    扭矩:50-636N.M
    轴径范围:25-75mm
    转速范围:1600-3600r/min
    产品特征描述
    1、NAB(标准型)空压通轴式制动器,是用带楔的圆锥形轴套管往轴上安装,拥有摩擦板可在保持机械设备原样的情况下
    进行交换的构造。靠安装在带轮毂的圆盘上的冷却片来散发因摩擦而产生的热量, 扭力范围从2到36500N.M。
    2、摩擦板是双切口对开式,通过带轮毂圆盘的孔,用螺丝刀把埋头螺钉取出来后即可交换摩擦板。
    3、平稳停止而简单
    靠调整空气压,使得停止顺畅。
    4、适用于高频度,连续滑移使用
    因持有大热容量和卓越的放热效果,在高频度,高负荷等的过酷条件下也耐用。还有,它能够空转使用。
    5、广泛的转矩调整范围
    转矩可靠空气压在广范围内进行调整。
    6、摩擦板的使用寿命长,交换容易
    因摩擦板很厚,所以使用寿命长,交换时,可在保持机械设备原样的情况下进行。
    NAB制动器使用案例:
  • 留言
    标  题: *(必填)
    内  容: *(必填)
    联系人:
    邮  箱:
    手  机:
    固  话:
    *(必填)
    公  司: *(必填)
    地  址: *(必填)