欢迎光临
手机网站 | 联系我们:150-2171-6506 | 加入收藏
  • 当前位置:上海韩东机械科技有限公司 > 产品中心 > 气动制动器 > 常闭式刹车器HABB-40安全制动器

    常闭式刹车器HABB-40安全制动器

    产品型号: HABB-40
    品  牌: HD韩东
      价格电议,您可以向供应商询价得到该产品价格
    所 在 地: 上海松江区
    更新日期: 2025-12-02
    详细信息
     品牌:HD韩东  类型:气动制动器  型号:HABB-40  
     尺寸:见下图  用途:断气刹车,通轴安全刹车  型号:HABB-40  

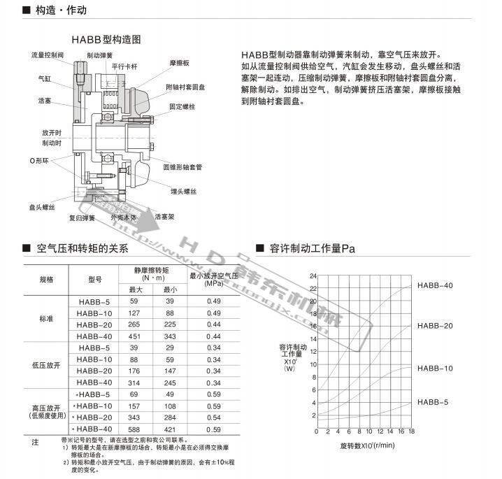
    HABB型断气制动器主要性能特点
    (1)靠弹簧来制动;
    靠制动弹簧来刹车。靠充入空气来放开。
    (2)逆作动制动;
    在停电或气压低的时候,自动制动。
    (3)优越的放热性;
    圆盘上附有散热片,能够被使用在过酷的环境下。
    (4)摩擦板交换贸易;
    摩擦板板是双切口对开式,可在保持安装在机械设备上的状态下直接交接摩擦板
    (5)简单却结实的构造;
    构造简单,信赖性高,使用寿命长。

    气动制动器HABB工作原理
    HABB型安全用气动制动器停止供气时被制动弹簧停止,供气时解放。适合于防止安全事故,及紧急制动,广泛规格可供选择。
  • 留言
    标  题: *(必填)
    内  容: *(必填)
    联系人:
    邮  箱:
    手  机:
    固  话:
    *(必填)
    公  司: *(必填)
    地  址: *(必填)