-
快速散热多片式离合器|气动多片离合器BDC型
详细信息| 询价留言品牌:上海韩东机械 型号:BDC-40/60/80/100 材料:铸铁 规格:BDC 扭矩:400+ 适用范围:工程环卫车辆、工业机械设备 重量:10 转速:1800 产地:上海 供应商:韩东机械 转速:1800 产地:上海 快速散热多片式离合器|气动多片离合器BDC型
相比我们齿式离合器的显著特点是可以实现高速连接,高速运转!摩擦片多,在高速运转中可以快速散热,环保安全!
一、多片式离合器BDC型主要特征描述
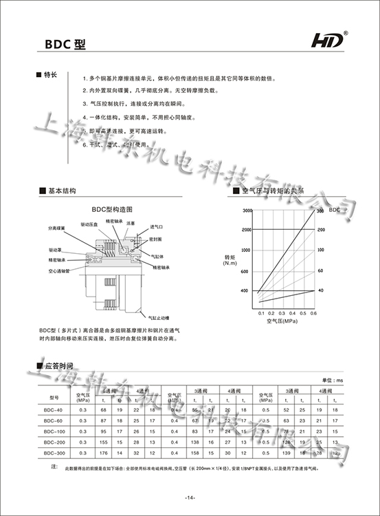
气动多片式离合器是由多片摩擦圆盘在气压的作用下咬合,不滑落,连接确实。因为一体化构造,所以安装简单,小体积大扭矩,适用于高速连接高速运转!- 多个铜基片摩擦连接单元,体积小但传递的扭矩且是其他同等体积的数倍。
- 内外置双向碟簧,几乎彻底分离。无空转摩擦负载。
- 气压控制执行,连接或分离均在瞬间。
- 一体化结构,安装简单,不用担心同轴度。
- 即可高速连接,更可高速运转。
- 干式、湿式均可使用。
二、气动多片离合器BDC尺寸及技术选型参考


三、使用说明:
1.气缸的牵连回转
气缸和活塞部分由于轴承的作用发生的牵连回转,用3个45度的槽或Z-M的螺纹来固定或止动。但要止动适当,不能因外界过盈力量使气缸偏、斜而工作不正常。
2.往轴上安装时注意
往轴上安装离合器时,尽可能使用专用工具对空心轴管加压,切勿冲击气缸或其他易损部位。
3.带轮、齿轮的轴端安装
带轮或齿轮的径向受力中心尽量对齐法兰内部两组轴承的轴承中心,过分偏置会影响产品的使用寿命。
4.轴承相关
一般都采用的密封轴承,免维护,少数部分需根据使用环境的关系,通常1至6个月适当补充润滑脂来维护。
5. 避免超负荷运转
产品选型时尽量采用转矩1.5倍至2倍的安全系数,过载使用会造成齿面的损坏或降低使用寿命。
四、BDC气动多片离合器安装方式参考

五、BDC离合器用途及应用领域
清扫车专用气动离合器,气动摩擦片的离合器,已广泛应用于自动化行业、中联重科,福建龙马,徐工集团,重庆迪马,江苏晨丰等公司的环卫改装厂。我们公司的离合器针对环卫车设计采用特殊的内部结构。并且获得国家专利。本离合器传递扭矩大,摩擦片多。福龙马FLM5164,5160清扫车,中联重科ZL5164TSLE3洗扫车均采用本款产品。本产品是电气自动控制副发动机气动离合器操纵装置,可保证副发动机空载起动和停机时与风机的自动脱离,简化了操作,降低对副发动机的冲击,提高了副发动机的工作可靠性和使用寿命。
-
-
产品搜索
留 言
- 联系人:宋经理
- 电 话:152-0180-5440
- 手 机:15201805440
- 传 真:021-57636570
- 邮 箱:songyulu@sh-handong.com
- 邮 编:201615
- 地 址:上海松江区伴亭路488号
- 网 址: https://shzqwm2016.cn.goepe.com/
http://www.handongjx.com






